欧美成人a片 V型調節球閥-南京騰州閥門有限公司
 
·
·
 · 
 
·
·
     防(fang)爆氣動(dong)快速切(qie)斷閥
     盲(mang)闆閥(眼(yan)睛閥)
     蝶(die)閥系列(lie)
     截止閥(fa)系列
     球(qiu)閥系列(lie)
     閘閥系(xi)列
     止回(hui)閥系列(lie)
     過濾器(qi)系列
     調(diao)節閥系(xi)列
     安全(quan)閥系列(lie)
     水力控(kong)制閥系(xi)列
     減壓(ya)閥系列(lie)
     電動二(er)通閥系(xi)列
     柱塞(sai)閥系列(lie)
     電子除(chu)垢儀
     執(zhi)行機構(gou)
     其它閥(fa)系列
南(nan)京🧛🏽欧美成人a片😌騰州(zhou)閥門有(you)限公司(si)
陳建州(zhou) 經理 工(gong)程師
地(di)址:南京(jing)市秦淮(huai)區升州(zhou)路385号 
郵(you)編:210036 
 郵箱(xiang):
電話:025—
手(shou)機: 
 
産品(pin)展示
當(dang)前位置(zhi):首頁 ->球(qiu)閥系列(lie)
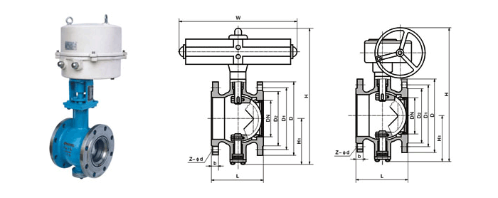
V型調節(jie)球閥
發(fa)表時間(jian):2011-5-26  文字 〖 大(da) 〗  閱(yue)讀次數(shu):4959   [關閉窗(chuang)口]
 

公稱(cheng)通經DN

主(zhu)要外形(xing)尺寸和(he)連接尺(chi)寸(mm) H H1 W WT(kg)
L D D1 D2 B Z-ØD VQ347 VQ647 VQ947 VQ347 VQ647 VQ947
VQ347M-16C VQ347M-16P VQ647M-16C VQ647M-16P VQ947M-16C VQ947M-16P
50 124 165 125 100 16 4-Ø18 225 248 365 92 400 11 13 16
65 145 186 145 120 18 4-Ø18 235 255 375 100 400 13 15 18
80 165 200 160 135 20 8-Ø18 260 270 380 108 400 15 17 20
100 194 220 180 155 20 8-Ø18 270 278 390 117 400 17 19 23
125 210 250 210 185 22 8-Ø18 320 335 405 140 455 22 25 28
150 229 285 240 210 22 8-Ø23 340 358 420 177 455 30 36 40
200 243 340 295 265 24 12-Ø23 390 405 510 200 700 60 68 75
250 297 405 355 320 26 12-Ø26 420 449 540 252 700 90 100 110
300 338 460 410 375 28 12-Ø26 510 550 605 270 700 180 205 207
VQ347M-25C VQ347M-25P VQ647M-25C VQ647M-25P VQ947M-25C VQ947M-25P
50 124 165 125 100 20 4-Ø18 225 248 365 92 400 11 13 16
65 145 186 145 120 22 8-Ø18 235 255 375 100 400 13 15 18
80 165 200 160 135 22 8-Ø18 260 270 380 108 400 15 17 20
100 194 230 190 160 24 8-Ø23 270 278 390 117 400 18 22 25
125 210 270 220 188 26 8-Ø26 320 335 405 140 455 23 26 32
150 229 300 250 218 28 8-Ø26 340 358 420 177 455 40 56 60
200 243 360 310 278 30 12-Ø23 390 405 510 200 700 62 70 79
250 297 425 370 332 32 12-Ø30 420 449 540 252 700 93 105 120
300 338 485 430 390 36 16-Ø30 510 550 605 270 700 190 220 225

文章(zhang)分頁: 1 
版權(quan)所有:南(nan)京騰州(zhou)閥門有(you)限公司(si)    産品技(ji)術支持(chi):精嘉閥(fa)門集團(tuan)有限公(gong)司          網站(zhan)技術支(zhi)持:yukamito.cc 京ICP證(zheng)000000号
·
·
·