五月丁香综合 ZSRW型氣動蝶閥-南京騰州閥門有限公司
·
 
·
 
     防爆(bao)氣動(dong)快速(su)切斷(duan)閥
     盲(mang)闆閥(fa)(眼睛(jing)閥)
     蝶(die)閥系(xi)列
     截(jie)止閥(fa)系列(lie)
     球閥(fa)系列(lie)
     閘閥(fa)系列(lie)
     止回(hui)閥系(xi)列
     過(guo)濾器(qi)系列(lie)
     調節(jie)閥系(xi)列
     安(an)全閥(fa)系列(lie)
     水力(li)控制(zhi)閥系(xi)列
     減(jian)壓閥(fa)系列(lie)
     電動(dong)二通(tong)閥系(xi)列
     柱(zhu)塞閥(fa)系列(lie)
     電子(zi)除垢(gou)儀
     執(zhi)行機(ji)構
     其(qi)它閥(fa)系列(lie)
🚶🏾‍♀️‍➡️五月丁香综合🙈 南京(jing)騰州(zhou)閥門(men)有限(xian)公司(si)
陳建(jian)州 經(jing)理 工(gong)程師(shi)
地址(zhi):南京(jing)市秦(qin)淮區(qu)升州(zhou)路385号(hao) 
郵編(bian):210036 
 郵箱(xiang):
電話(hua):025—
手機(ji): 
 
産品(pin)展示(shi)
當前(qian)位置(zhi):首頁(ye) ->蝶閥(fa)系列(lie)
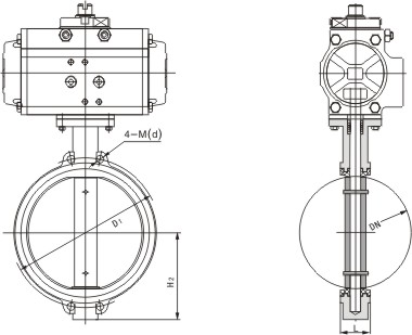
ZSRW型氣(qi)動蝶(die)閥
發(fa)表時(shi)間:2011-5-25  文(wen)字 〖 大(da) 小(xiao) 〗  閱讀(du)次數(shu):5127   [關閉(bi)窗口(kou)]

中線(xian)軟密(mi)封蝶(die)閥是(shi)管線(xian)優先(xian)選用(yong)的常(chang)規蝶(die)閥,具(ju)有💯結(jie)構簡(jian)潔,流(liu)阻系(xi)數小(xiao),流量(liang)特性(xing)趨于(yu)直線(xian),不會(hui)滞留(liu)雜物(wu)。且重(zhong)量輕(qing),安裝(zhuang)方便(bian),驅動(dong)扭矩(ju)較小(xiao)的優(you)點。這(zhe)種閥(fa)門既(ji)可作(zuo)切😘斷(duan)介質(zhi)用,又(you)可作(zuo)調節(jie)介質(zhi)👱🏼‍♂️的流(liu)量用(yong)🧛🏾‍♀️。驅動(dong)裝置(zhi)根據(ju)用戶(hu)要求(qiu),分别(bie)可采(cai)用手(shou)動、電(dian)動、氣(qi)動👩🏽‍🐰‍👩🏿等(deng)方式(shi)。選用(yong)不同(tong)材料(liao)的零(ling)件,配(pei)用不(bu)同材(cai)料的(de)密封(feng)圈,可(ke)适應(ying)不同(tong)的介(jie)質、工(gong)況,使(shi)成本(ben)🏃🏿‍♀️‍➡️與性(xing)能達(da)到最(zui)佳效(xiao)果。
  軟(ruan)密封(feng)蝶閥(fa)适用(yong)于溫(wen)度≤120℃或(huo)≤150℃,公稱(cheng)壓力(li)≤1.6MPa給排(pai)水、污(wu)水♌️、食(shi)品、供(gong)暖💯、燃(ran)氣、船(chuan)舶、水(shui)電、冶(ye)金、能(neng)源系(xi)統以(yi)及輕(qing)紡等(deng)行🏊🏾‍♀️業(ye),特别(bie)适用(yong)于😸雙(shuang)向😌密(mi)封和(he)閥體(ti)易鏽(xiu)蝕場(chang)合,作(zuo)調節(jie)流量(liang)和截(jie)流介(jie)質。

1、小(xiao)巧輕(qing)便,容(rong)易拆(chai)裝及(ji)維修(xiu),并可(ke)在任(ren)意位(wei)置安(an)裝。
  2、結(jie)構簡(jian)單、緊(jin)湊,操(cao)作扭(niu)矩小(xiao),90°回轉(zhuan)開啓(qi)迅速(su)。
  3、流量(liang)特性(xing)趨直(zhi)線,調(diao)節性(xing)能好(hao)。
  4、蝶闆(pan)與閥(fa)杆的(de)連接(jie)采用(yong)無銷(xiao)釘結(jie)構,克(ke)服了(le)有可(ke)㊙️能的(de)内洩(xie)漏點(dian)。
  5、蝶闆(pan)外圓(yuan)采用(yong)球面(mian)造型(xing),提高(gao)了密(mi)封性(xing)能及(ji)延長(zhang)👽了閥(fa)門的(de)使用(yong)壽命(ming),帶壓(ya)啓閉(bi)5萬次(ci)以上(shang)仍保(bao)持零(ling)洩漏(lou)👽。
  6、密封(feng)件可(ke)更換(huan),且密(mi)封可(ke)靠達(da)到雙(shuang)向密(mi)封。 
  7、蝶(die)闆可(ke)根據(ju)用戶(hu)要求(qiu)噴塗(tu)覆層(ceng),如尼(ni)龍或(huo)聚四(si)氟類(lei)。
  8、該閥(fa)可設(she)計成(cheng)法蘭(lan)連接(jie)和對(dui)夾連(lian)接。
  9、驅(qu)動方(fang)式可(ke)選擇(ze)手動(dong)、電動(dong)或氣(qi)動。

中(zhong)線型(xing)軟密(mi)封蝶(die)閥密(mi)封結(jie)構  
     本(ben)公司(si)在生(sheng)産軟(ruan)密封(feng)蝶閥(fa)的過(guo)程中(zhong),不斷(duan)吸取(qu)國⛹🏻‍♀️内(nei)外先(xian)進技(ji)術和(he)結構(gou)特點(dian),爲滿(man)足廣(guang)大用(yong)戶不(bu)同工(gong)況的(de)需求(qiu),本公(gong)司所(suo)生産(chan)軟密(mi)封蝶(die)閥均(jun)采用(yong)
    1、普通(tong)中線(xian)型蝶(die)閥,
    2、複(fu)合閥(fa)座中(zhong)線型(xing)蝶閥(fa),
    3、包覆(fu)蝶闆(pan)的中(zhong)線型(xing)蝶閥(fa)。其密(mi)封副(fu)結構(gou)如下(xia):

密封(feng)圈材(cai)料

密(mi)封圈(quan)材料(liao)

閥體(ti)材料(liao):灰鑄(zhu)鐵 ( HT200、HT250 )     球(qiu)墨鑄(zhu)鐵 ( QT400、QT450 )
               碳(tan)鋼 (WCB、WCC、LCB)        鉻(ge)钼鋼(gang) (WC5、WC6、WC9)     合金(jin)鋼
               不(bu)鏽鋼(gang) (CF3、CF8、CF3M、CF8M、ZG1Cr18Ni9Ti、ZG1Cr18Ni12Mo2Ti)     
内件(jian)材料(liao):不鏽(xiu)鋼 ( 2Cr13、1Cr18Ni9、1Cr18Ni9Ti、1Cr18Ni12Mo2Ti、304、316、304L、316L )
               碳(tan)鋼    鉻(ge)钼鋼(gang)    特殊(shu)鋼  
連(lian)接形(xing)式:法(fa)蘭、對(dui)夾、
驅(qu)動方(fang)式:手(shou)動、蝸(wo)輪傳(chuan)動、電(dian)動、 氣(qi)動.

主(zhu)要外(wai)形和(he)連接(jie)尺寸(cun)(對夾(jia)式)


文(wen)章分(fen)頁: 1 
版(ban)權所(suo)有:南(nan)京騰(teng)州閥(fa)門有(you)限公(gong)司    産(chan)品技(ji)術支(zhi)持:精(jing)嘉閥(fa)門集(ji)👩🏿‍❤️‍💋‍👨🏽團有(you)限公(gong)司          網(wang)站技(ji)術支(zhi)持:yukamito.cc 京(jing)ICP證000000号(hao)
· 
·
·
··
 
·